
Lisätiedot ja kysymykset:
Niko Varis
Puhelinnumero: 0400 782 169
Sähköposti: niko.varis@accranes.fi
Voit jättää kyselyn myös täältä
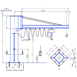
Ylätuettu pylväskääntönosturi profiilipuomilla
Pylväskääntönosturit soveltuvat erinomaisesti taakkojen siirtelyyn työpistekohtaisesti.
AC Cranes valmistaa ja asentaa kääntönosturit avaimet käteen -periaatteella. AC Cranes -pylväskääntönosturit ovat CE-merkittyjä. Rautarakenteet valmistamme itse ja nostimina kääntönostureissa käytämme ketjunostimia, taljoja, paineilmanostimia ja keventimiä. Kääntönosturit on mahdollista saada altatuetulla I-palkkipuomilla tai vetoaisallisena profiili- tai I-palkkipuomilla 2 – 8 m pituisina. Vakiokapasiteetit 125 – 2 000 kg.
Ylätuettu pylväskääntönosturi soveltuu paikkoihin, joissa ei ole mahdollisuutta kiinnittää seinäkääntönosturia. Asennus tapahtuu liimalla tai kiila-ankkureilla lattiaan tai valettavalla peruspulttikehikolla. Kääntökulma pylväskääntönosturilla on vakiona 270 tai 360 astetta kone- tai käsikäännöllä.
Lisäksi valmistamme nivelkääntönostureita.
Tästä voit jättää helposti kyselyn tästä tuotteesta:
Kuvaus

|
Ulottuma |
Kuorma | Mitat | ||||||
| R | Q | k | r | p | Rmin. | a | b | Ø |
| m | kg | mm | mm | mm | mm | mm | mm | mm/kpl |
| 3 | 125 | 235 | 3110 | 575 | 600 | 450 | 500 | 27/4 |
| 250 | 265 | 3110 | 575 | 640 | 450 | 500 | 27/4 | |
| 500 | 265 | 3110 | 880 | 700 | 450 | 500 | 30/4 | |
| 1000 | 300 | 3150 | 880 | 700 | 580 | 500 | 30/4 | |
| 1500 | 335 | 3250 | 885 | 765 | 580 | 500 | 30/8 | |
| 4 | 125 | 265 | 4110 | 575 | 940 | 450 | 500 | 27/4 |
| 250 | 265 | 4110 | 880 | 800 | 450 | 500 | 27/4 | |
| 500 | 300 | 4110 | 880 | 800 | 580 | 700 | 30/4 | |
| 1000 | 335 | 4150 | 880 | 845 | 580 | 700 | 33/8 | |
| 1500 | 370 | 4250 | 885 | 915 | 580 | 500 | 33/8 | |
| 5 | 125 | 265 | 5110 | 880 | 1090 | 450 | 27/4 | |
| 250 | 300 | 5110 | 880 | 900 | 450 | 700 | 27/4 | |
| 500 | 300 | 5150 | 880 | 945 | 580 | 700 | 30/4 | |
| 1000 | 370 | 5150 | 880 | 965 | 580 | 700 | 33/8 | |
| 6 | 125 | 265 | 6110 | 880 | 1060 | 450 | 500 | 27/4 |
| 250 | 300 | 6150 | 880 | 1000 | 580 | 700 | 30/4 | |
| 500 | 300 | 6150 | 880 | 1065 | 580 | 700 | 30/8 | |
| 7 | 125 | 300 | 7110 | 880 | 1165 | 450 | 500 | 27/4 |
| 250 | 335 | 7150 | 880 | 1215 | 580 | 700 | 30/4 | |
| 8 | 125 | 335 | 8150 | 880 | 1315 | 580 | 700 | 30/4 |
| 250 | 335 | 8150 | 880 | 1315 | 580 | 700 | 30/8 | |




