
Lisätiedot ja kysymykset:
Niko Varis
Puhelinnumero: 0400 782 169
Sähköposti: niko.varis@accranes.fi
Voit jättää kyselyn myös täältä
Ylätuettu seinäkääntönosturi profiilipuomilla
Seinäkääntönosturit soveltuvat erinomaisesti taakkojen siirtelyyn työpistekohtaisesti.
AC Cranes valmistaa ja asentaa kääntönosturit avaimet käteen -periaatteella. AC Cranes -seinäkääntönosturit ovat CE-merkittyjä. Rautarakenteet valmistamme itse ja nostimina kääntönostureissa käytämme ketjunostimia, taljoja, paineilmanostimia ja keventimiä. Kääntönosturit on mahdollista saada altatuetulla I-palkkipuomilla, vetoaisallisena, profiili- tai I-palkkipuomilla 2 – 7 m pituisina. Vakiokapasiteetit 125 – 2 000 kg.
Seinäkääntönosturi soveltuu seinän vieressä olevan työpisteen nostolaitteeksi. Seinäkääntönosturin kääntökulma on max 270° astetta käsikäännöllä ja se voidaan asentaa halutulle korkeudelle.
Tästä voit jättää helposti kyselyn tästä tuotteesta:
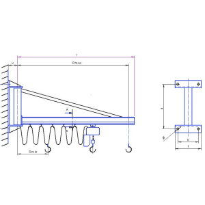
Kuvaus

| Ulottuma | Kuorma | Vetovoima | Konsolin | Tuote- | |||||
| R | Q | k | r | b | a | f | Pultti | massa | massa |
| m | kg | mm | mm | mm | mm | mm | kN | kg | kg |
| 3 | 125 | 200 | 3110 | 270 | 740 | 370 | 4,2 | 70 | 78 |
| 250 | 200 | 3110 | 270 | 740 | 370 | 8,2 | 70 | 86 | |
| 500 | 200 | 3110 | 340 | 980 | 440 | 9,9 | 76 | 112 | |
| 1000 | 200 | 3150 | 340 | 980 | 440 | 18,1 | 76 | 126 | |
| 1500 | 200 | 3150 | 340 | 980 | 440 | 26,2 | 76 | 140 | |
| 4 | 125 | 200 | 4110 | 270 | 740 | 370 | 5,8 | 70 | 103 |
| 250 | 200 | 4110 | 270 | 740 | 370 | 11,1 | 70 | 130 | |
| 500 | 200 | 4110 | 340 | 980 | 440 | 13,3 | 76 | 151 | |
| 1000 | 200 | 4110 | 340 | 980 | 440 | 24,1 | 76 | 195 | |
| 1500 | 200 | 4150 | 340 | 980 | 440 | 34,6 | 83 | 253 | |
| 5 | 125 | 200 | 5110 | 270 | 740 | 370 | 7,3 | 70 | 152 |
| 250 | 200 | 5110 | 340 | 980 | 440 | 9,6 | 76 | 177 | |
| 500 | 200 | 5110 | 340 | 980 | 440 | 16,5 | 76 | 226 | |
| 1000 | 200 | 5110 | 340 | 980 | 440 | 30,2 | 76 | 296 | |
| 6 | 125 | 200 | 6110 | 340 | 980 | 440 | 6,9 | 76 | 204 |
| 250 | 200 | 6110 | 340 | 980 | 440 | 11,7 | 76 | 230 | |
| 500 | 200 | 6150 | 340 | 980 | 440 | 20 | 76 | 303 | |
| 7 | 125 | 200 | 7110 | 340 | 980 | 440 | 8,7 | 76 | 263 |
| 250 | 200 | 7110 | 340 | 980 | 440 | 14,5 | 76 | 303 | |
| 500 | 200 | 7150 | 340 | 980 | 440 | 24,9 | 83 | 400 | |
| 8 | 125 | 200 | 8150 | 340 | 980 | 440 | 11,1 | 76 | 337 |
| 250 | 200 | 8150 | 340 | 980 | 440 | 17,5 | 76 | 390 | |





