Harkkopihti TVB

Soveltuu sellaisten kappaleiden nostoon ja siirtoon, joiden vastakkaiset sivut ovat samansuuntaiset, kuten kivi- ja betoniharkot.

Suojapinnoitetut leuat.

Osastot: , Avainsanat tuotteelle ,

Tästä voit jättää helposti kyselyn tästä tuotteesta:

Kuvaus

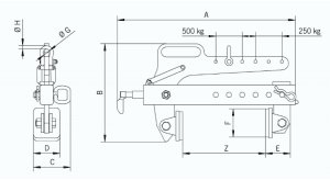
TVB mitta

Tyyppi

Kuorma t

Kita mm

kg

A mm

B mm

C mm

D mm

E mm

F mm

Ø G mm

Ø H mm

TVB 500

0,25/0,5

0-240

10,0

537

296

112

80

75

85

22

10